👍 1967 VW Fuse Box Diagram: Decoding Electrical Mastery

Unlock the secrets of your 1967 VW's electrical system with our detailed Fuse Box Diagram. Explore circuitry, fuses, and more for troubleshooting and restoration.

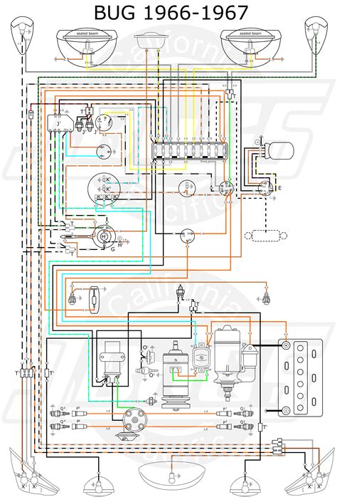
In the realm of automotive electrical systems, the 1967 VW Fuse Box Diagram stands as a foundational blueprint, illuminating the intricate network of circuits that power Volkswagen's iconic models of the era. Delving into this diagram unveils the meticulous arrangement of fuses, relays, and wiring connections that underpin the vehicle's electrical infrastructure. Enthusiasts and technicians alike find themselves drawn to this diagram, seeking clarity amidst the complexity of electrical troubleshooting and restoration projects. With its comprehensive depiction of circuitry, the diagram serves as a guiding beacon, facilitating the understanding and maintenance of vintage Volkswagen vehicles. Through meticulous analysis, this article aims to unravel the intricacies of the 1967 VW Fuse Box Diagram, shedding light on its significance within the broader discourse of automotive wiring diagrams and schematic comprehension.

1967 VW Fuse Box Diagram: Decoding Electrical Mastery

Wiring diagrams and schematics are crucial tools for understanding the intricate electrical systems of vehicles. One of the most sought-after diagrams is the 1967 VW Fuse Box Diagram, which provides a detailed map of the electrical connections in the Volkswagen models of that era.

Understanding Electrical Circuits

Understanding Electrical Circuits

At the core of any wiring diagram lies the representation of electrical circuits. These circuits depict the paths through which electrical current flows within the vehicle's system. Understanding these circuits is essential for diagnosing and troubleshooting electrical issues.

Component Identification

Component Identification

The 1967 VW Fuse Box Diagram aids in identifying various components within the vehicle's electrical system. From fuses to relays, each component is meticulously labeled, enabling technicians to locate and inspect them with ease.

Wire Color Coding

Wire Color Coding

Wire color coding is a crucial aspect of wiring diagrams. The 1967 VW Fuse Box Diagram illustrates the standardized color codes used for different wires, simplifying the process of tracing and identifying circuits.

Diagnostic Assistance

Diagnostic Assistance

When faced with electrical issues, the 1967 VW Fuse Box Diagram serves as a valuable diagnostic tool. By referencing the diagram, technicians can pinpoint potential areas of concern and systematically troubleshoot the problem.

Restoration Guidance

Restoration Guidance

For enthusiasts embarking on restoration projects, the 1967 VW Fuse Box Diagram offers invaluable guidance. Whether replacing worn-out components or rewiring the entire system, the diagram provides a roadmap for restoration efforts.

Historical Significance

Historical Significance

Beyond its practical utility, the 1967 VW Fuse Box Diagram holds historical significance. It represents the electrical architecture of a bygone era in automotive engineering, offering a glimpse into the technological advancements of the time.

Continued Relevance

Continued Relevance

Despite its age, the 1967 VW Fuse Box Diagram remains relevant in the realm of vintage Volkswagen restoration and maintenance. Its enduring legacy speaks to the timeless design and enduring appeal of these classic vehicles.

Resource for Enthusiasts

Resource for Enthusiasts

For enthusiasts and collectors, the 1967 VW Fuse Box Diagram serves as a cherished resource. It not only aids in understanding the intricacies of the vehicle's electrical system but also fosters a deeper appreciation for vintage Volkswagen craftsmanship.

Conclusion:

As we conclude our exploration of the 1967 VW Fuse Box Diagram, we hope this article has provided valuable insights into the intricacies of automotive electrical systems. Understanding the 1967 VW Fuse Box Diagram is not just about decoding wires and circuits; it's about unraveling a piece of automotive history and appreciating the craftsmanship that went into designing these iconic vehicles.

Whether you're a seasoned technician or an avid enthusiast, the 1967 VW Fuse Box Diagram serves as a roadmap for navigating the electrical landscape of vintage Volkswagen models. From diagnostic troubleshooting to restoration projects, this diagram remains an invaluable resource, guiding individuals through the intricacies of automotive wiring and schematic comprehension. As you continue to delve into the world of classic cars, may the 1967 VW Fuse Box Diagram be your trusted companion, illuminating the path towards a deeper understanding and appreciation of these timeless automotive marvels.

Keyword:1967 Vw Fuse Box Diagram

Related Keywords:Diagram, Historical Significance, Fuse Box, Restoration Guidance, electrical circuits, Component Identification, 1967 VW, Wire Color Coding, Diagnostic Assistance, Resource for Enthusiasts.


0 komentar