🔴 Unlock the Mysteries: 1966 Porsche Wiring Schematic Revealed!

1966 Porsche Engine Diagram Wiring Schematic: Unlock the secrets of vintage Porsche wiring. Explore intricate diagrams and schematics.

1966 Porsche Engine Diagram Wiring Schematic: Delve into the intricate workings of a classic automotive masterpiece with our comprehensive exploration of the 1966 Porsche engine diagram wiring schematic. Unveiling the inner workings of this iconic vehicle, our article meticulously dissects the wiring system, offering clarity and insight for enthusiasts and mechanics alike. From ignition circuits to lighting arrangements, each component is meticulously detailed, providing a roadmap for understanding the electrical architecture of this vintage gem. Whether you're a seasoned mechanic or a curious enthusiast, this discussion promises to unravel the complexities of the 1966 Porsche wiring schematic, shedding light on its engineering marvels and timeless design.

Unlock the Mysteries: 1966 Porsche Wiring Schematic Revealed!

Introduction

Introduction

Welcome to our detailed exploration of 1966 Porsche Engine Diagram Wiring Schematic. In this article, we will delve into the intricacies of wiring diagrams and schematics, particularly focusing on the 1966 Porsche model. Whether you're an enthusiast, a mechanic, or simply curious about classic automotive engineering, this guide aims to provide comprehensive insights into the electrical architecture of this iconic vehicle.

Understanding Wiring Diagrams

Understanding Wiring Diagrams

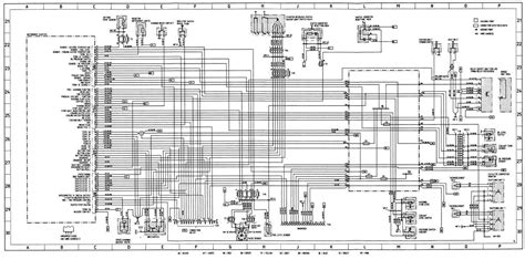
Wiring diagrams serve as blueprints for the electrical systems of vehicles, providing a visual representation of how various components are connected. For the 1966 Porsche, these diagrams are invaluable tools for troubleshooting, repairs, and modifications. They depict the layout of wires, connectors, and components, allowing for a clear understanding of the system's functionality.

Components and Connections

Components and Connections

Each wiring schematic for the 1966 Porsche highlights the interconnectedness of various components within the vehicle's electrical system. From the ignition system to the lighting circuits, every element plays a crucial role in ensuring proper functionality. By examining these diagrams closely, one can identify the specific components involved and their respective connections, aiding in diagnosis and repairs.

Reading Schematics

Reading Schematics

Schematics offer a visual representation of the electrical circuits within the 1966 Porsche. These diagrams use standardized symbols to depict components and their connections, making it easier to interpret and understand. By familiarizing oneself with these symbols and their meanings, enthusiasts and mechanics can decipher the intricacies of the vehicle's electrical system, facilitating troubleshooting and modifications.

Troubleshooting and Diagnosis

Troubleshooting and Diagnosis

When faced with electrical issues in a 1966 Porsche, wiring diagrams and schematics are invaluable resources for troubleshooting and diagnosis. By following the circuit paths and understanding the components involved, mechanics can pinpoint the root cause of problems and implement effective solutions. Whether it's a faulty connection, a damaged component, or a wiring issue, these diagrams provide a roadmap for resolving issues efficiently.

Modifications and Customization

Modifications and Customization

For enthusiasts looking to personalize their 1966 Porsche, wiring diagrams offer invaluable insights into modifications and customization. Whether it's adding aftermarket accessories, upgrading components, or integrating new technologies, these diagrams provide a foundation for implementing changes while ensuring compatibility and safety.

Maintenance and Repairs

Maintenance and Repairs

Regular maintenance and timely repairs are essential for preserving the performance and reliability of a 1966 Porsche. Wiring diagrams serve as invaluable resources for maintenance, guiding mechanics through routine inspections, repairs, and component replacements. By following the prescribed procedures outlined in these diagrams, one can ensure the vehicle remains in optimal condition for years to come.

Conclusion

Conclusion

In conclusion, 1966 Porsche Engine Diagram Wiring Schematic offers a comprehensive overview of the electrical architecture of this iconic vehicle. Whether you're seeking to understand its inner workings, troubleshoot issues, or embark on customization projects, the insights provided by wiring diagrams and schematics are invaluable. By leveraging these resources effectively, enthusiasts and mechanics can unlock the full potential of the 1966 Porsche and ensure its continued performance and enjoyment for years to come.

Conclusion:

Thank you for exploring our in-depth coverage of 1966 Porsche Engine Diagram Wiring Schematic. We hope that our comprehensive analysis has provided you with valuable insights into the intricate electrical architecture of this iconic vehicle. By dissecting the wiring diagrams and schematics, we aimed to offer clarity and understanding to enthusiasts and mechanics alike. Whether you're seeking to troubleshoot issues, embark on customization projects, or simply gain a deeper appreciation for classic automotive engineering, we trust that our exploration has been illuminating.

In the journey through 1966 Porsche Engine Diagram Wiring Schematic, we've uncovered the interconnectedness of various components within the vehicle's electrical system. From understanding wiring diagrams to interpreting schematics, each step offers valuable knowledge for maintaining, repairing, and customizing these timeless automobiles. As you continue to explore the world of vintage Porsche engineering, we encourage you to leverage the insights gained from our analysis to enhance your understanding and enjoyment of these automotive marvels. Stay tuned for more in-depth explorations and guides as we continue to delve into the fascinating world of classic cars and their intricate systems.

Keyword:1966 Porsche Engine Diagram Wiring Schematic

Related Keywords:Troubleshooting, Electrical Diagrams, Automotive Engineering, Classic Cars, Porsche wiring


0 komentar